客服热线:400-633-8600

中文
当前位置:首页>>耳机插座>>PJ-365
新品推荐 多功能开关 轻触开关 检测开关 拨动开关 带灯开关 按键开关 拨码开关 微动开关 耳机插座 DC插座 电池座 其他产品

PJ-365

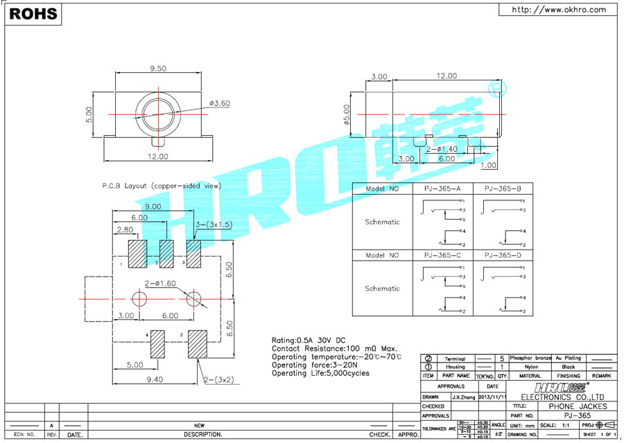
PJ-365

尺寸:15.00mm*9.50mm插拔力:3-20N类型:¢3.5-贴片式

耳机插座技术参数:
1. 额定负荷: DC 30V 0.5A 2. 接触阻抗: ≤100mΩMAX
3. 绝缘阻抗: AC 500V 1Minute 4. 耐焊温度: 250±5°5s
5. 使用寿命: 5,000 cycles 6. 使用温度: -20 ℃ to 70 ℃
7. 使用湿度: ≤85% RH 8. 操作力: 3-20N
应用:数码产品、音响、电脑、通讯产品等。

规格书下载 在线客服

图文详情


PJ-365